|
【HSR−S型 3/8〜11/2B】
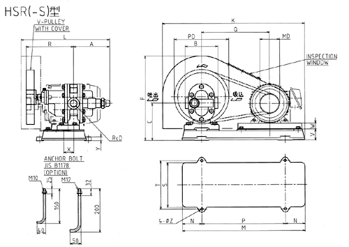
軸封を2段オイルシール式のユニット構造とした灯油、A重油、各種潤滑油用ギヤポンプです。Oリング・オイルシールをバイトンとすることも可能です。Vベルト駆動、カップリング直結のどちらでも運転可能です。 |
| ○灯油 |
〜0.3MPa |
| ○A重油 |
〜0.6MPa |
| ○潤滑油 |
〜1.0MPa |
|
 |
| HSR−S型 ポンプ本体 |
[1] [2] |
|
 |
 |
| HSR−S型 Vベルト駆動式 |
HSR−S型 カップリング直結式 |
[1] [2] [3] |
[1] [2] |
【HSR型 3/8〜 1 1/2B】
軸封はグランドパッキンタイプ式の潤滑油移送用ギヤポンプです。
各種塗料等の実績もあります。
〜1.0MPa |
 |
| HSR型 ポンプ本体 |
[1] [2] |
■ 構造図 【HSR 型】  |
■ 仕様表 【HSR 型】  |
■ 外形図 【HSR型 Vベルト駆動式】  |
■ 外形図 【HSR型 カップリング】  |
|